По всем вопросам подбора, наличию, стоимости и способа доставки запчастей для строительной техники, можно обратиться к нашим консультантам по телефону +7 (343) 288-39-91, либо заполнить форму обратной связи и мы оперативно с вами свяжемся.
Колеса натяжные ЧТЗ Т-170М.01
Отправить запрос
Ваш заказ будет обработан в самые короткие сроки. Мы ценим наших клиентов.
50-21-138СП Колесо натяжное левое 24-21-148СП Опора правая 24-21-146СП Колесо натяжное правое 24-21-149СП Опора левая
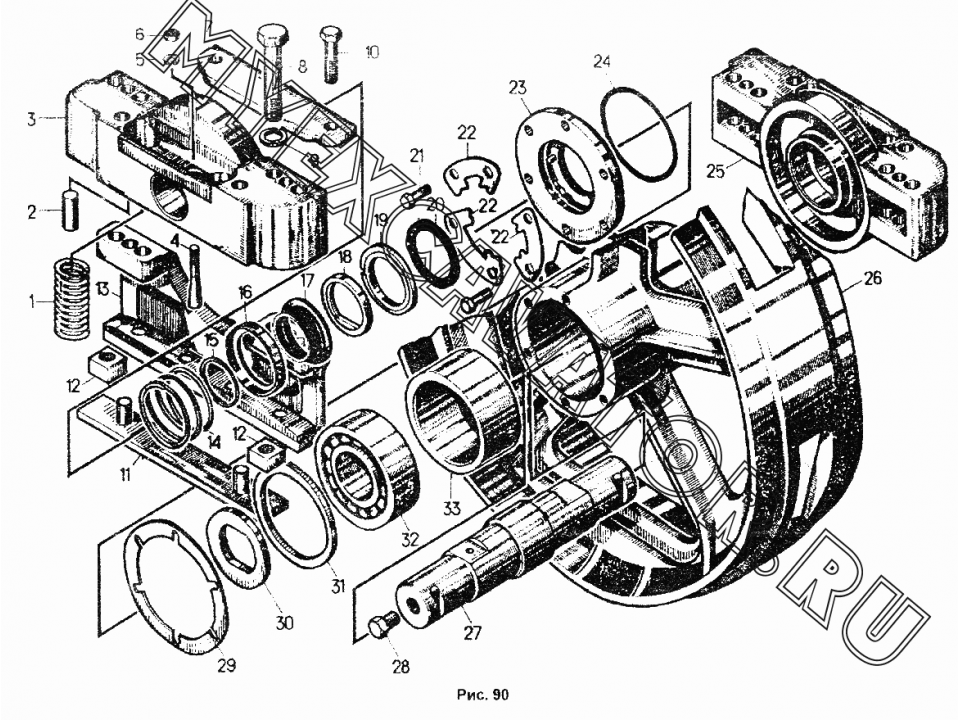
1. 38441 Пружина
2. 50-21-145 Штифт
3. 24-21-124 Опора правая
4. 18-21-45 Стопор
5. Шайба 12.ОТ.65Г.09
6. 3010 Гайка
7. 18-21-40 Крышка
8. Болт М24х2х160.109.40.019
9. Шайба 24Т.65Г.09
10. Болт М16х1,5х70.58.019
11. 50-21-123СП Плита
12. 700-51-2080 Бонка
13. 24-21-119СП Упор
14. 700-38-2568 Пружина
15. 700-58-2369 Кольцо
16. 24-21-130 Обойма
17. 700-40-5432 Манжета
18. 24-21-126 Кольцо
19. 24-21-127 Кольцо
20. 700-40-5019 Прокладка
21. 2816 Болт
22. 700-31-2371 Шайба
23. 24-21-147СП Шайба
24. Кольцо 140-150-58-2-2
25. 24-21-125 Опора левая
26. 50-21-212 Колесо натяжное
27. 24-21-123 Ось
28. 700-37-2240 Пробка
29. 24-21-44-0 Прокладка
30. 24-21-129 Шайба
31. 700-58-2500 Кольцо
32. 2814КМУ Подшипник
33. 24-21-42 Втулка
1. 38441 Пружина
2. 50-21-145 Штифт
3. 24-21-124 Опора правая
4. 18-21-45 Стопор
5. Шайба 12.ОТ.65Г.09
6. 3010 Гайка
7. 18-21-40 Крышка
8. Болт М24х2х160.109.40.019
9. Шайба 24Т.65Г.09
10. Болт М16х1,5х70.58.019
11. 50-21-123СП Плита
12. 700-51-2080 Бонка
13. 24-21-119СП Упор
14. 700-38-2568 Пружина
15. 700-58-2369 Кольцо
16. 24-21-130 Обойма
17. 700-40-5432 Манжета
18. 24-21-126 Кольцо
19. 24-21-127 Кольцо
20. 700-40-5019 Прокладка
21. 2816 Болт
22. 700-31-2371 Шайба
23. 24-21-147СП Шайба
24. Кольцо 140-150-58-2-2
25. 24-21-125 Опора левая
26. 50-21-212 Колесо натяжное
27. 24-21-123 Ось
28. 700-37-2240 Пробка
29. 24-21-44-0 Прокладка
30. 24-21-129 Шайба
31. 700-58-2500 Кольцо
32. 2814КМУ Подшипник
33. 24-21-42 Втулка
| Характеристики | |
|---|---|
| Применяемость | Т-170М.01 |
