По всем вопросам подбора, наличию, стоимости и способа доставки запчастей для строительной техники, можно обратиться к нашим консультантам по телефону +7 (343) 288-39-91, либо заполнить форму обратной связи и мы оперативно с вами свяжемся.
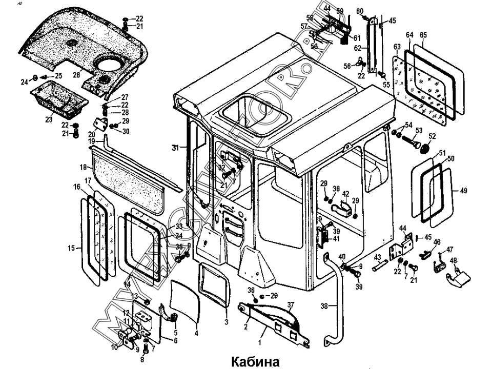
Кабина ЧТЗ Т-170
Отправить запрос
Ваш заказ будет обработан в самые короткие сроки. Мы ценим наших клиентов.
50-59-183СП Защелка 50-59-24-02СП Кабина 50-59-24СП Кабина 21-59-112СП Козырек светозащитный 21-59-114СП Кронштейн 50-59-24-01СП Кабина 50-59-168СП Зеркало
1. 50-59-107 Кронштейн
2. 50-59-154 Шлевка
3. 24-59-153 Ободок
4. 24-59-148 Зеркало
5. 700-40-3915-03 Уплотнитель
6. 50-59-110СП Корпус
7. Шайба 8Т 65Г 09
8. Болт М8х35.58.019
9. Шайба 10 ОТ 65Г 09
10. 50-59-203СП Опора
11. Болт М10х25.58.019
12. 24-59-154 Прижим
13. Гайка М8-6.019
14. 24-59-228-04 Кант
15. 24-59-228-03 Кант
16. 24-59-222-03 Уплотнитель
17. 24-59-197-1 Стекло
17. 24-59-197 Стекло
18. 21-59-115СП Козырек
19. 21-59-113СП Ось
20. 21-59-77 Кронштейн
21. Болт М8х25.88.019
22. 31386-1 Шайба
23. 700-42-2299 Кожух
24. 700-31-2353 Шайба
25. 700-35-2007 Шуруп
26. 50-59-160СП Кожух
27. Шплинт 2х14.019
28. 700-38-2360 Пружина
29. Гайка М6-6.019
30. Шайба 6Т 65Г 09
31. 24-59-180СП Каркас
32. 24-59-204СП Планка
33. 24-59-198-1 Стекло
33. 24-59-198 Стекло
34. 24-59-222-04 Уплотнитель
35. Болт М10х20.58.019
36. 31358 Шайба
37. 700-40-6814 Ремень
38. 50-59-147 Поручень
39. Болт М10х30.58.019
40. 31308 Шайба
40. 31308-1 Шайба
41. 24-59-447 Защелка
42. 50-59-110 Клипса
43. 700-47-96 Валик
44. 50-59-156 Корпус
45. Шплинт 2,5х14
46. 591044 Амортизатор
47. 700-38-2486 Пружина
48. 24-59-397 Защелка
49. 24-59-228-02 Кант
50. 24-59-222-02 Уплотнитель
51. 24-59-196-1 Стекло
51. 24-59-196 Стекло
52. 700-40-5228 Накладка
53. 50-59-117СП Упор
54. Гайка М12-6.019
55. Болт М8х25.58.35.019
56. 05573-1 Гайка
57. 31365-1 Шайба
58. 700-28-2121 Болт откидной
59. 6465 Валик
60. 591127 Валик
61. 700-40-3915 Уплотнитель
61. 700-40-7089 Уплотнитель
62. 24-59-176 Кулиса
63. 24-59-195 Стекло
63. 24-59-195-1 Стекло
64. 24-59-222-01 Уплотнитель
65. 24-59-228-01 Кант
1. 50-59-107 Кронштейн
2. 50-59-154 Шлевка
3. 24-59-153 Ободок
4. 24-59-148 Зеркало
5. 700-40-3915-03 Уплотнитель
6. 50-59-110СП Корпус
7. Шайба 8Т 65Г 09
8. Болт М8х35.58.019
9. Шайба 10 ОТ 65Г 09
10. 50-59-203СП Опора
11. Болт М10х25.58.019
12. 24-59-154 Прижим
13. Гайка М8-6.019
14. 24-59-228-04 Кант
15. 24-59-228-03 Кант
16. 24-59-222-03 Уплотнитель
17. 24-59-197-1 Стекло
17. 24-59-197 Стекло
18. 21-59-115СП Козырек
19. 21-59-113СП Ось
20. 21-59-77 Кронштейн
21. Болт М8х25.88.019
22. 31386-1 Шайба
23. 700-42-2299 Кожух
24. 700-31-2353 Шайба
25. 700-35-2007 Шуруп
26. 50-59-160СП Кожух
27. Шплинт 2х14.019
28. 700-38-2360 Пружина
29. Гайка М6-6.019
30. Шайба 6Т 65Г 09
31. 24-59-180СП Каркас
32. 24-59-204СП Планка
33. 24-59-198-1 Стекло
33. 24-59-198 Стекло
34. 24-59-222-04 Уплотнитель
35. Болт М10х20.58.019
36. 31358 Шайба
37. 700-40-6814 Ремень
38. 50-59-147 Поручень
39. Болт М10х30.58.019
40. 31308 Шайба
40. 31308-1 Шайба
41. 24-59-447 Защелка
42. 50-59-110 Клипса
43. 700-47-96 Валик
44. 50-59-156 Корпус
45. Шплинт 2,5х14
46. 591044 Амортизатор
47. 700-38-2486 Пружина
48. 24-59-397 Защелка
49. 24-59-228-02 Кант
50. 24-59-222-02 Уплотнитель
51. 24-59-196-1 Стекло
51. 24-59-196 Стекло
52. 700-40-5228 Накладка
53. 50-59-117СП Упор
54. Гайка М12-6.019
55. Болт М8х25.58.35.019
56. 05573-1 Гайка
57. 31365-1 Шайба
58. 700-28-2121 Болт откидной
59. 6465 Валик
60. 591127 Валик
61. 700-40-3915 Уплотнитель
61. 700-40-7089 Уплотнитель
62. 24-59-176 Кулиса
63. 24-59-195 Стекло
63. 24-59-195-1 Стекло
64. 24-59-222-01 Уплотнитель
65. 24-59-228-01 Кант
| Характеристики | |
|---|---|
| Применяемость | Т-170 |
