По всем вопросам подбора, наличию, стоимости и способа доставки запчастей для строительной техники, можно обратиться к нашим консультантам по телефону +7 (343) 288-39-91, либо заполнить форму обратной связи и мы оперативно с вами свяжемся.
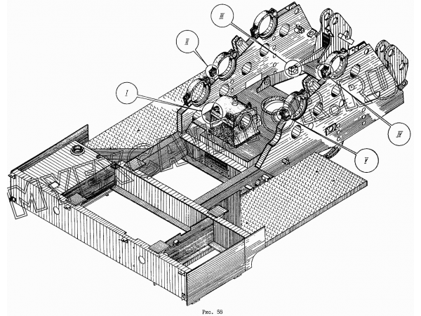
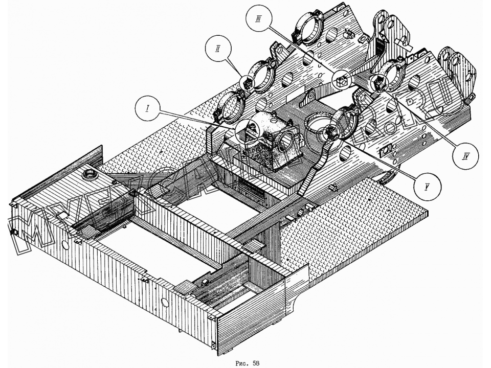
Рама поворотная ЭО-4112.20.01.00.000 Донэкс ЭО-4112
Отправить запрос
Ваш заказ будет обработан в самые короткие сроки. Мы ценим наших клиентов.
| Характеристики | |
|---|---|
| Применяемость | ЭО-4112 |
