По всем вопросам подбора, наличию, стоимости и способа доставки запчастей для строительной техники, можно обратиться к нашим консультантам по телефону +7 (343) 288-39-91, либо заполнить форму обратной связи и мы оперативно с вами свяжемся.
Платформа поворотная ЭО-4112.20.00.00.000 Донэкс ЭО-4112
Отправить запрос
Ваш заказ будет обработан в самые короткие сроки. Мы ценим наших клиентов.
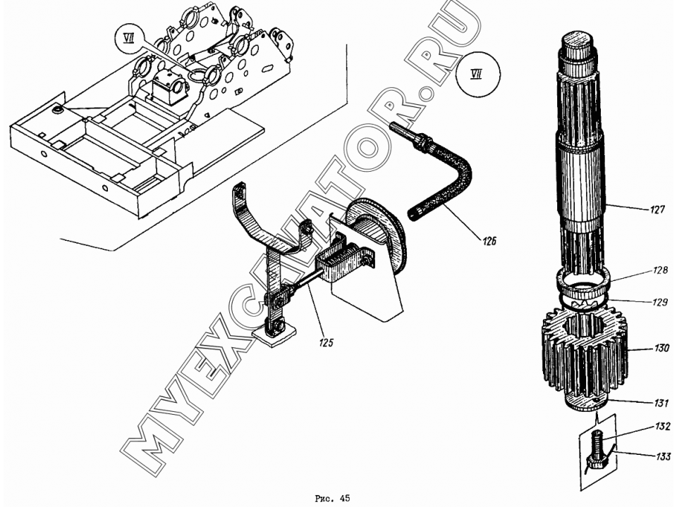
ЭО-4112.20.00.00.000 Платформа поворотная 125 652.137 Управление кулачковой муфты 126 ЭО-4112.20.55.00.000 Пневморазводка 127 652Б.975.00.012 Вал 128 652Б.770.00.8 Втулка 129 9833.090-100-58-2-2 Кольцо 130 652Б.970.00.4 Шестерня 131 28-67-003 Шайба упорная 132 7798.М12x40 Болт 133 3282.1,6 Проволока (L=0,19м)
| Характеристики | |
|---|---|
| Применяемость | ЭО-4112 |
