По всем вопросам подбора, наличию, стоимости и способа доставки запчастей для строительной техники, можно обратиться к нашим консультантам по телефону +7 (343) 288-39-91, либо заполнить форму обратной связи и мы оперативно с вами свяжемся.
Наводка драглайна 652.210 Донэкс ЭО-4112
Отправить запрос
Ваш заказ будет обработан в самые короткие сроки. Мы ценим наших клиентов.
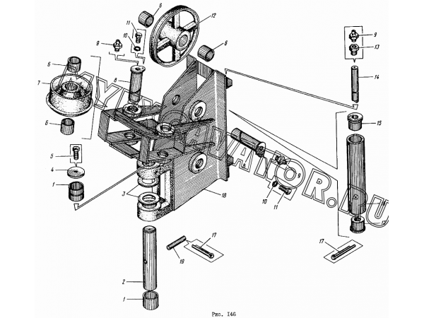
652.210 Наводка драглайна
1. 652.210.00.2 Втулка
2. 652.210.00.19 Ось кронштейна
3. 652.210.00.3 Шайба прокладная
4. 652.210.00.16 Крышка
5. 7798.Мx16 Болт
6. 652.210.00.22 Втулка
7. 652.210.00.12 Блок горизонтальный
8. 652Б.210.01 Ось
9. 19853.1.3 Масленка
10. 6402.8Т.65Г Шайба
11. 7798.М8x20 Болт
12. 652.210.00.9 Блок вертикальный
13. 652.041.00.68 Штуцер
14. 652.210.00.15 Ось кронштейна
15. 652.210.00.21 Втулка
16. 652.210.00.20 Ролик направляющий
17. 397.4x40 Шплинт
18. 107.211 Кронштейн
19. 652.210.00.18 Пруток
1. 652.210.00.2 Втулка
2. 652.210.00.19 Ось кронштейна
3. 652.210.00.3 Шайба прокладная
4. 652.210.00.16 Крышка
5. 7798.Мx16 Болт
6. 652.210.00.22 Втулка
7. 652.210.00.12 Блок горизонтальный
8. 652Б.210.01 Ось
9. 19853.1.3 Масленка
10. 6402.8Т.65Г Шайба
11. 7798.М8x20 Болт
12. 652.210.00.9 Блок вертикальный
13. 652.041.00.68 Штуцер
14. 652.210.00.15 Ось кронштейна
15. 652.210.00.21 Втулка
16. 652.210.00.20 Ролик направляющий
17. 397.4x40 Шплинт
18. 107.211 Кронштейн
19. 652.210.00.18 Пруток
| Характеристики | |
|---|---|
| Применяемость | ЭО-4112 |
