По всем вопросам подбора, наличию, стоимости и способа доставки запчастей для строительной техники, можно обратиться к нашим консультантам по телефону +7 (343) 288-39-91, либо заполнить форму обратной связи и мы оперативно с вами свяжемся.
Механизм стопора ЭО-4111В.10.14.00.000 Донэкс ЭО-4112
Отправить запрос
Ваш заказ будет обработан в самые короткие сроки. Мы ценим наших клиентов.
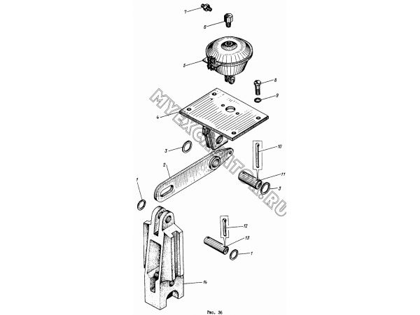
ЭО-4111В.10.14.00.000 Меxанизм стопоре
1. 9649.30 Шайба
2. ЭО-4111В.10.14.02.000 Рычаг
3. 9649.40 Шайба
4. ЭО-4111В.10.14.01.000 Кронштейн
5. 500-3519010-01 Камера тормозная
6. 85-63-001 Угольник 90°
7. 264.13.01 Ниппель
8. 7798.М16x40 Болт
9. 6402.16Т.65Г Шайба
10. 397.6,3x71 Шплинт
11. ЭО-4111В.10.08.00.004 Ось
12. 397.6,3x50 Шплинт
13. ЭО-4111В.10.08.00.003 Ось
14. ЭО-4111В.10.14.00.005 Стопор
1. 9649.30 Шайба
2. ЭО-4111В.10.14.02.000 Рычаг
3. 9649.40 Шайба
4. ЭО-4111В.10.14.01.000 Кронштейн
5. 500-3519010-01 Камера тормозная
6. 85-63-001 Угольник 90°
7. 264.13.01 Ниппель
8. 7798.М16x40 Болт
9. 6402.16Т.65Г Шайба
10. 397.6,3x71 Шплинт
11. ЭО-4111В.10.08.00.004 Ось
12. 397.6,3x50 Шплинт
13. ЭО-4111В.10.08.00.003 Ось
14. ЭО-4111В.10.14.00.005 Стопор
| Характеристики | |
|---|---|
| Применяемость | ЭО-4112 |
