По всем вопросам подбора, наличию, стоимости и способа доставки запчастей для строительной техники, можно обратиться к нашим консультантам по телефону +7 (343) 288-39-91, либо заполнить форму обратной связи и мы оперативно с вами свяжемся.
Установка вентилятора с калорифером 4121.20.23.000 Ковровец ЭО-4121Б
 Отправить запрос
                				Ваш заказ будет обработан в самые короткие сроки. Мы ценим наших клиентов.
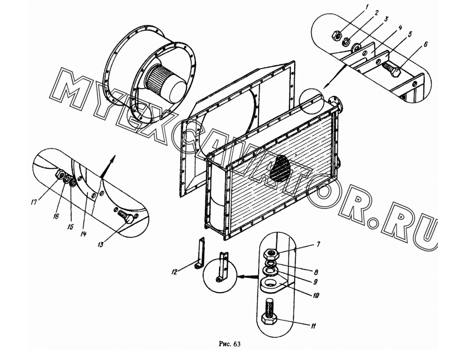
4121.20.23.000 Установка вентилятора с калорифером 
1. 5915.08 Гайка
2. 6402.08 Шайба
3. 11371.08 Шайба
4. 4121А.20.23.300 Раструб
5. 4121.20.23.250 Калорифер (с изменением)
6. 7798.08x20 Болт
7. 5915.12 Гайка
8. 6402.12 Шайба
9. 11371.12 Шайба
10. 4121.20.23.200 Стойка левая
11. 7798.12x30 Болт
12. 4121.20.23.150 Стойка правая
13. 7798.06x20 Болт
14. В-06-300-6,3 Вентилятор осевой
15. 11371.06 Шайба
16. 6402.06 Шайба
17. 5915.06 Гайка
                                            1. 5915.08 Гайка
2. 6402.08 Шайба
3. 11371.08 Шайба
4. 4121А.20.23.300 Раструб
5. 4121.20.23.250 Калорифер (с изменением)
6. 7798.08x20 Болт
7. 5915.12 Гайка
8. 6402.12 Шайба
9. 11371.12 Шайба
10. 4121.20.23.200 Стойка левая
11. 7798.12x30 Болт
12. 4121.20.23.150 Стойка правая
13. 7798.06x20 Болт
14. В-06-300-6,3 Вентилятор осевой
15. 11371.06 Шайба
16. 6402.06 Шайба
17. 5915.06 Гайка
| Характеристики | |
|---|---|
| Применяемость | ЭО-4121Б | 
