По всем вопросам подбора, наличию, стоимости и способа доставки запчастей для строительной техники, можно обратиться к нашим консультантам по телефону +7 (343) 288-39-91, либо заполнить форму обратной связи и мы оперативно с вами свяжемся.
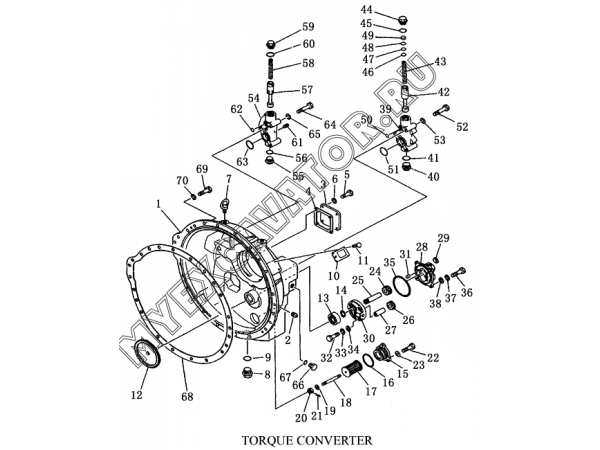
Гидротрансформатор/TORQUE CONVERTER Shantui SD23
Отправить запрос
Ваш заказ будет обработан в самые короткие сроки. Мы ценим наших клиентов.
154-13-51002 Torque converter
1. 154-13-53110 Housing
2. 07042-70415 Plug taper
3. 175-13-23220 Cover
4. 175-13-23232 Gasket
5. 01010-51225 Bolt
6. 01602-21236 Spring
7. 04530-01628 Bolt eye
8. 07044-13620 Plug magnetic
9. 07002-43634 O-ring
10. 09607-05080 Plate name
11. 04418-13060 Screw tapping
12. 195-13-14111 Gear
13. 06030-05206 Bearing
14. 04064-03015 Ring snap
14. 134-13-13400 Filter ass’y
15. 134-13-13410 Cover
16. 07000-72070 O-ring
17. 195-13-13420 Filter
18. 134-13-13430 Stud
19. 01641-20608 Washer
20. 01590-10607 Nut
21. 04050-11212 Pin cotter
22. 01010-51230 Bolt
23. 01643-31232 Washer
23. 175-13-23500 Pump ass’y
23. 175-13-23510 Gear ass’y
24. 175-13-23580 Gear
25. 175-13-23520 Gear ass’y
25. 175-13-23610 Shaft
26. 175-13-23580 Gear
27. 175-13-23620 Shaft
28. 175-13-23530 Case pump
29. 01190-01011 Screw thread lining
30. 175-13-23540 Cover
31. 04020-00820 Pin dowel
32. 01010-50835 Bolt
33. 01602-20825 Washer spring
34. 01641-20812 Washer
35. 07000-62115 O-ring
36. 01010-51235 Bolt
37. 01602-21236 Washer spring
38. 01641-21223 Washer
38. 195-13-16100 Valve ass’y
39. 195-13-16110 Body relief valve
40. 195-13-16450 Plug
41. 07002-43634 O-ring
42. 195-13-16120 Spool relief valve
43. 195-13-16131 Spring relief valve
44. 195-13-16141 Plug
45. 07002-43634 O-ring
46. 195-13-16190 Shim 1.0mm
47. 195-13-16210 Shim 0.3mm
48. 195-13-16220 Shim 0.1mm
49. 195-13-16230 Spacer
50. 07000-72018 O-ring
51. 07000-73045 O-ring
52. 01010-51290 Bolt
53. 175-13-26401 Valve ass’y
53. 01602-21236 Washer spring
54. 175-13-26410 Body regulator valve
55. 195-13-16450 Plug
56. 07002-43634 O-ring
57. 195-13-16420 Spool regulator valve
58. 195-13-16430 Spring regulator valve
59. 195-13-16141 Plug
60. 07002-43634 O-ring
61. 07042-20108 Plug taper
62. 07000-72018 O-ring
63. 07000-73045 O-ring
64. 01010-51290 Bolt
65. 01602-21236 Washer spring
66. 175-13-23290 Plug
67. 07005-01612 Gasket
68. 175-11-11131 Gasket
69. 01010-31240 Bolt
70. 01602-01236 Washer spring
1. 154-13-53110 Housing
2. 07042-70415 Plug taper
3. 175-13-23220 Cover
4. 175-13-23232 Gasket
5. 01010-51225 Bolt
6. 01602-21236 Spring
7. 04530-01628 Bolt eye
8. 07044-13620 Plug magnetic
9. 07002-43634 O-ring
10. 09607-05080 Plate name
11. 04418-13060 Screw tapping
12. 195-13-14111 Gear
13. 06030-05206 Bearing
14. 04064-03015 Ring snap
14. 134-13-13400 Filter ass’y
15. 134-13-13410 Cover
16. 07000-72070 O-ring
17. 195-13-13420 Filter
18. 134-13-13430 Stud
19. 01641-20608 Washer
20. 01590-10607 Nut
21. 04050-11212 Pin cotter
22. 01010-51230 Bolt
23. 01643-31232 Washer
23. 175-13-23500 Pump ass’y
23. 175-13-23510 Gear ass’y
24. 175-13-23580 Gear
25. 175-13-23520 Gear ass’y
25. 175-13-23610 Shaft
26. 175-13-23580 Gear
27. 175-13-23620 Shaft
28. 175-13-23530 Case pump
29. 01190-01011 Screw thread lining
30. 175-13-23540 Cover
31. 04020-00820 Pin dowel
32. 01010-50835 Bolt
33. 01602-20825 Washer spring
34. 01641-20812 Washer
35. 07000-62115 O-ring
36. 01010-51235 Bolt
37. 01602-21236 Washer spring
38. 01641-21223 Washer
38. 195-13-16100 Valve ass’y
39. 195-13-16110 Body relief valve
40. 195-13-16450 Plug
41. 07002-43634 O-ring
42. 195-13-16120 Spool relief valve
43. 195-13-16131 Spring relief valve
44. 195-13-16141 Plug
45. 07002-43634 O-ring
46. 195-13-16190 Shim 1.0mm
47. 195-13-16210 Shim 0.3mm
48. 195-13-16220 Shim 0.1mm
49. 195-13-16230 Spacer
50. 07000-72018 O-ring
51. 07000-73045 O-ring
52. 01010-51290 Bolt
53. 175-13-26401 Valve ass’y
53. 01602-21236 Washer spring
54. 175-13-26410 Body regulator valve
55. 195-13-16450 Plug
56. 07002-43634 O-ring
57. 195-13-16420 Spool regulator valve
58. 195-13-16430 Spring regulator valve
59. 195-13-16141 Plug
60. 07002-43634 O-ring
61. 07042-20108 Plug taper
62. 07000-72018 O-ring
63. 07000-73045 O-ring
64. 01010-51290 Bolt
65. 01602-21236 Washer spring
66. 175-13-23290 Plug
67. 07005-01612 Gasket
68. 175-11-11131 Gasket
69. 01010-31240 Bolt
70. 01602-01236 Washer spring
| Характеристики | |
|---|---|
| Применяемость | SD23 |
