По всем вопросам подбора, наличию, стоимости и способа доставки запчастей для строительной техники, можно обратиться к нашим консультантам по телефону +7 (343) 288-39-91, либо заполнить форму обратной связи и мы оперативно с вами свяжемся.
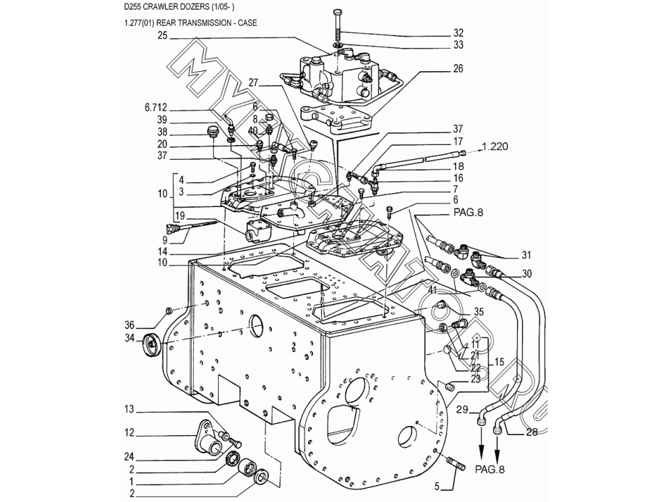
Трансмиссия/REAR TRANSMISSION - CASE New Holland D255
Отправить запрос
Ваш заказ будет обработан в самые короткие сроки. Мы ценим наших клиентов.
1. 8291845 BUSHING
2. 8291846 GASKET
3. 14496631 WASHER, M10x21x2
4. 16040831 BOLT, Hex, M10x40, 10.9, Full Thd
5. 11800830 STUD
6. 9824642 BOLT, Hex, M12x35, 10.9
7. 11422331 BOLT, Hex, M14x1.5x30, 10.9, Full Thd
8. 70921467 PLUG
9. 76005558 DIPSTICK
10. 76027486 COVER, - UPPER SIDE ASSY
11. 79109467 BLOCK
12. 79026975 BUSHING, - OUTER
13. 79027043 SPACER
14. 79109481 COVER, - UPPER
15. 79109465 BOX, - ASSY
16. 79066998 CONNECTION, 3 WAY
17. 79107720 HOSE, FLEXIBLE
18. 79107721 HOSE, FLEXIBLE
19. 79109045 SUPPORT
20. 13415191 BREATHER, 8X1,25X7
21. 79109468 NUT
22. 76017522 PAD
23. 79010528 DOWEL
24. 14257931 SCREW, 16X1,5X40
25. 79096196 VALVE, CONTROL, - ASSY
26. 79108161 VALVE, HYDRAULIC, - ASSY
27. 76077684 BREATHER
28. 76038349 HOSE, FLEXIBLE
29. 76038348 HOSE, FLEXIBLE
30. 78100337 CONNECTOR, HYD., 16/18X1,5
31. 78100129 CONNECTOR, HYD., 12/18X1,5
32. 15542231 BOLT, Hex, M12x1.25x160, 10.9, 12X1,25X160
33. 14496731 WASHER, 12X24
34. 79020779 PLUG
35. 76038644 PLUG
36. 4974232 PLUG
37. 79066934 CONNECTOR, HYD.
38. 76033119 GOVERNOR, SPEED, - ASSY
39. 79086880 GASKET
40. 76041509 CONNECTOR, HYD.
41. 70930357 O-RING, 1,78X15,60
| Характеристики | |
|---|---|
| Применяемость | D255 |
